FMGRU 2560 TCK
Caratteristiche Tecniche GRU
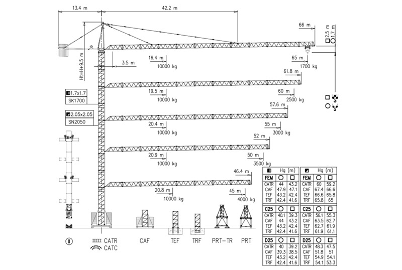
- Gru a torre in buone condizioni (l'immagine corrisponde alla gru standard come da sito web FM GRU)
- Altezza 30 mt
- Braccio 60 mt
- FULL-INVENTER
- Su telaio a recupero
- Anno 2000
- Portata in punta Kg 2.500
- Portata massima Kg 4.000
La GRU è fornita di:
- Documentazione completa
- Radiocomando e pulsantiera
Scarica la scheda tecnica del mezzo cliccando sul tasto sottostante.
Il prezzo di acquisto di intende Franco Deposito.
Il canone del noleggio viene espresso nel preventivo in base alla durata ed ai servizi prescelti.
1) Trasporto:
Dal ns. deposito al Vs. cantiere (o luogo espressamente indicato) a mezzo bilici e camion gru per il carico e lo scarico, e ns. personale specializzato addetto alle operazioni.
2) Montaggio:
Con mezzo di sollevamento idoneo e ns. personale specializzato, compresa taratura di tutti i dispositivi di sicurezza, e incluso rilascio della Dichiarazione di Corretto Montaggio.
3) Operazioni inverse:
Come voci 1. e 2. (per smontaggio e trasporto a fine noleggio)
4) Forniture Opzionali
Come da voci di forniture e servizi espressamente richieste, concordate e descritte nel Preventivo Ufficiale.
FULL SERVICE e MANUTENZIONE
Full Service: include la fornitura dei ricambi in garanzia di parti componenti non più in efficienza per normale usura. Sono esclusi tutti gli interventi di riparazione e/o sostituzione comprensivi dei ricambi a seguito di incuria o negligenza nell'utilizzo della Gru.
Programma di manutenzione trimestrale: a mezzo ns. personale con ingrassaggio delle funi, della ralla e di tutti i supporti in movimento, con controllo visivo dei dispositivi di sicurezza e registrazione freni (sollevamento/carrello/rotazione), controllo livelli olio e aggiornamento libretto a norma D.Lgs.81, inclusi materiali di consumo (oli e grassi) e trasferimenti a/r ns. personale.
PREREQUISITI A CARICO DEL CLIENTE (CANTIERE ED ADEMPIMENTO SICUREZZA)
PREPARAZIONE CANTIERE
- L’area utile ed agibile, necessaria per l’accesso in cantiere, la manovra dei ns. mezzi ed idonea al loro posizionamento, al montaggio della gru;
- La platea di base perfettamente in piano considerando la spinta max di reazione al suolo su ogni punto d’appoggio (a seguito di Vs. accettazione Vi verrà inviato lo schema tecnico “tipo” per la realizzazione della stessa);
- Linea elettrica al piede della gru Volt 380;
- Messa a terra contro le scariche atmosferiche (normativa D.Lgs.81/08);
- I pesi necessari per efetuare le prove di carico max/min;
- Richiesta Occupazione Suolo Pubblico e/o eventuali Permessi d’accesso e di transito (se necessari).
ADEMPIMENTI PER LA SICUREZZA IN CANTIERE – D.Lgs. 81/08.
(i fac-simili Vi saranno forniti in fase di stipula del Contratto)
- Richiesta di verifca all’ARPA per installazione gru (ed eventuale verifca annuale);
- Dichiarazione (ai sensi dell’art. 72, comma 2) relatva al nominatvo/i degli addeti alla manovra della gru, che dovranno essere corretamente formato/i e informato/i (ai sensi degli art. nn. 70-71 e n. 73 Comma 5 e All.to 6);
- Documentazione completa della gru, incluso Manuale d’Uso, sempre a disposizione in cantere, utile anche per gli aggiornamenti da efettuare a ns carico;
- Delimitazione con rete e picchetti di tutta l’area di lavoro interessata al montaggio e smontaggio della gru e nel corso di eventuali interventi, con persone e/o mezzi di sollevamento;
- I pesi utili alle prove di carico per ogni eventuale ispezione a cura degli enti preposti.
Per la documentazione da presentare a nostro carico Vi preghiamo farci conttatare per tempo dal Vostro Responsabile della Sicurezza.








